| 型號 | PX190 | PX240 | PX285 | PX330 | PX400 | 減速比 | 級 | |
| 額定輸出扭矩 | Nm | -- | -- | -- | -- | -- | 3 | 1 |
| 2086.7 | 3706.4 | 6398.5 | 10170.8 | 16091.8 | 4 | |||
| 1550 | 3027.4 | 5336.3 | 8313.3 | 16091.8 | 5 | |||
| 940.7 | 1836.5 | 3175.4 | 5043.4 | 7506.3 | 8 | |||
| - - | 1800 | - - | - - | - - | 10 | |||
| -- | -- | -- | - - | - - | 9 | 2 | ||
| -- | -- | -- | - - | - - | 12 | |||
| -- | -- | -- | - - | - - | 15 | |||
| 2086.7 | 3706.4 | 6398.5 | 10170.8 | 16091.8 | 16 | |||
| 2086.7 | 3706.4 | 6398.5 | 10170.8 | 16091.8 | 20 | |||
| 1550 | 3027.3 | 5236.3 | 8313.3 | 12414.0 | 25 | |||
| 2086.7 | 3706.4 | 6398.5 | 10170.8 | 16091.8 | 32 | |||
| 1550 | 3027.3 | 5236.3 | 8313.3 | 12414.0 | 40 | |||
| 940.7 | 1836.5 | 3175.4 | 5043.4 | 7506.3 | 64 | |||
| 2086.7 | -- | -- | -- | -- | 60 | 3 | ||
| 2086.7 | 3706.4 | 6398.5 | 10170.8 | 16091.8 | 80 | |||
| 2086.7 | 3706.4 | 6398.5 | 10170.8 | 16091.8 | 100 | |||
| 1550 | 3027.3 | 5236.3 | 8313.3 | 12414.0 | 120/125 | |||
| 2086.7 | 3706.3 | 6398.5 | 10170.8 | 16091.8 | 160 | |||
| 1550 | 3027.3 | 5236.3 | 8313.3 | 12414 | 200 | |||
| 2086.7 | 3706.4 | 6398.5 | 10170.8 | 16091.8 | 256 | |||
| 1550 | 3027.3 | 5236.3 | 8313.3 | 12414.0 | 320 | |||
| 940.7 | 1836.5 | 3175.4 | 5043.4 | 7506.3 | 512 | |||
| 故障停止扭矩 | Nm | T2Not=2T2N | ||||||
| 型號 | PX190 | PX240 | PX285 | PX330 | PX400 | 型號 | |
|
最大徑向力
|
N | 4200 | 6750 | 9550 | 9200 | 15800 | |
|
最大軸向力
|
N | 3400 | 6500 | 7800 | 8500 | 11500 | |
|
滿載效率
|
% | 96 | 1 | ||||
| 94 | 2 | ||||||
| 90 | 3 | ||||||
|
平均壽命
|
h | 20000 | |||||
|
重量
|
Kg | 34+5 | 59+12 | 87+26 | 115+30 | 195+55 | 1 |
| 37+5 | 75.5+12 | 110+26 | 160+30 | 285+55 | 2 | ||
| 42.5+4 | 80+9 | 128+12 | 190+26 | 330+30 | 3 | ||
| 回程間隙 | arcmin(分) | PX190 | PX240 | PX285 | PX330 | PX400 | 級 | |
| 精密 | <12 | <10 | <10 | <10 | <10 | 1 | ||
| 標準 | <12 | <10 | <10 | <10 | <10 | 1 | ||
| 精密 | <15 | <18 | <18 | <18 | <18 | 2 | ||
| 標準 | <15 | <18 | <18 | <18 | <18 | 2 | ||
| 精密 | <22 | <22 | <22 | <22 | <22 | 3 | ||
| 標準 | <22 | <22 | <22 | <22 | <22 | 3 |
| PX190 | PX240 | PX285 | PX330 | PX400 | ||
| 抗扭鋼性 | Nm/arcmin | 66.7 | 123.3 | 213.3 | 339.0 | 536.4 |
| 噪音 | dB(A) | 70 | 70 | 70 | 70 | 70 |
| 最大輸入速度 | min-1 | 6000 | 5000 | 5000 | 4500 | 3800 |
| 額定輸入速度 | min-1 | 2500 | 2000 | 2000 | 2000 | 2000 |

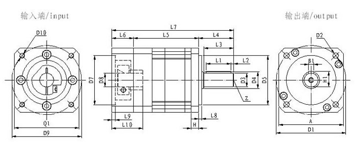
| 產品型號 | PX190 | PX240 | PX285 | PX330 | PX400 | ||||||||||||
| 級 | 1 | 2 | 3 | 1 | 2 | 3 | 1 | 2 | 3 | 1 | 2 | 3 | 1 | 2 | 3 | ||
| A | 安裝法蘭邊長 | □ | 190 | 240 | 285 | 330 | 400 | ||||||||||
| D1 | 安裝孔分布圓 | 215 | 265 | 315 | 370 | 425 | |||||||||||
| D2 | 安裝螺孔 | 4× | φ13.5 | φ18 | φ18 | φ22 | φ22 | ||||||||||
| D3 | 輸出軸徑 | h6 | 50 | 65 | 70 | 80 | 90 | ||||||||||
| D4 | 輸出軸肩 | 60 | 75 | 85 | 90 | 100 | |||||||||||
| D5 | 定位凸臺直徑 | h7 | 160 | 225 | 250 | 290 | 350 | ||||||||||
| D7 | 定位圓直徑 | H7 | 114.3 | 114.3 | 114.3 | 180 | 114.3 | 114.3 | 230 | 180 | 180 | 250 | 230 | 230 | 300 | 250 | 250 |
| D8 | 電機軸徑 | F7 | 35 | 35 | 35 | 42 | 35 | 35 | 55 | 42 | 42 | 60 | 55 | 55 | 80 | 60 | 60 |
| D9 | 電機安裝孔分布圓 | 200 | 200 | 200 | 215 | 200 | 200 | 265 | 215 | 215 | 300 | 265 | 265 | 350 | 300 | 300 | |
| D10 | 安裝螺孔雀 | M12*30 | M12*30 | M12*30 | M12*30 | M12*30 | M12*30 | M12*30 | M12*30 | M12*30 | M16*40 | M12*30 | M12*30 | M16*40 | M16*40 | M16*40 | |
| Q1 | 輸入法蘭 | □ | 176 | 176 | 176 | 240 | 176 | 176 | 285 | 240 | 240 | 330 | 285 | 285 | 400 | 330 | 330 |
| L1 | 鍵長 | 70 | 85 | 95 | 100 | 115 | |||||||||||
| L2 | 鍵到軸端距離 | 5 | 7.5 | 7.5 | 10 | 10 | |||||||||||
| L3 | 軸長(自定位圓) | 80 | 100 | 110 | 120 | 135 | |||||||||||
| L4 | 軸長(自端面) | 90 | 113 | 123 | 133 | 150 | |||||||||||
| L5 | 軀體長 | 186 | 234 | 270.5 | 185.5 | 255.5 | 303.5 | 211 | 277 | 350 | 241 | 333 | 427 | 287 | 393 | 498 | |
| L6 | 法蘭厚度 | 57 | 57 | 57 | 78 | 57 | 57 | 100 | 78 | 78 | 130 | 100 | 100 | 160 | 130 | 130 | |
| L7 | 減速機總長 | 333 | 381 | 417.5 | 316.5 | 425.5 | 473.5 | 434 | 478 | 548 | 504 | 566 | 660 | 597 | 673 | 778 | |
| L8 | 定位凸臺厚度 | 8 | 8 | 8 | 8 | 10 | |||||||||||
| L9 | 電機定位深度 | 4 | 4 | 4 | 6.5 | 6.5 | 6.5 | 6.5 | 6.5 | 6.5 | 8 | 6.5 | 6.5 | 8 | 8 | 8 | |
| L10 | 電機軸長 | 80 | 80 | 80 | 85 | 80 | 80 | 110 | 85 | 85 | 140 | 110 | 110 | 170 | 110 | 110 | |
| B1 | 鍵寬 | 14 | 18 | 20 | 22 | 25 | |||||||||||
| H1 | 鍵高 | 53.5 | 69 | 74.5 | 85 | 95 | |||||||||||
| Z | 定位孔 | M12×26 | M12×26 | M16×30 | M16×30 | M16×30 | |||||||||||
| H | 定位法蘭厚度 | 26 | 25 | 25 | 25 | 35 | |||||||||||
| B2 | 輸入鍵槽高 | js9 | -- | -- | -- | 12 | -- | -- | 16 | 12 | 12 | 18 | 16 | 16 | 22 | 18 | 18 |
| H2 | 輸入鍵槽寬 | -- | -- | -- | 45.3 | -- | -- | 59.3 | 45.3 | 45.3 | 64.4 | 59.3 | 59.3 | 85.4 | 64.4 | 64.4 | |
上一篇:空心孔輸出行星減速機
下一篇:PLF行星減速機